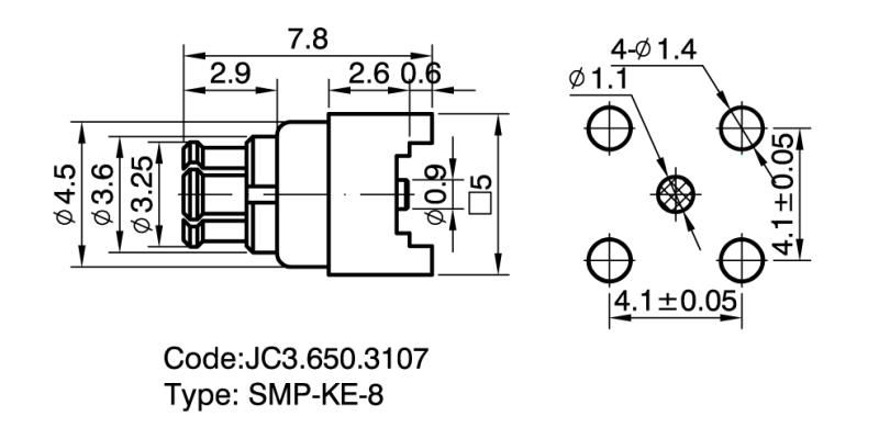
产品编号:
JC3.650.3107
产品型号:
SMP-KE-8
产品名称:
表面贴装插座
产品类别:
SMP
相配电缆:

650.3107   SMP-KE-8  详情页1.png650.3107 SMP-KE-8 详情页2.png