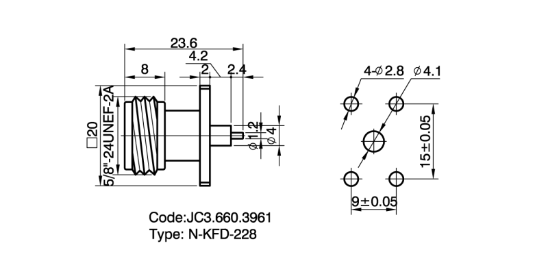
产品编号:
JC3.660.3961
产品型号:
N-KFD-228
产品名称:
微带插座
产品类别:
N
相配电缆:

660.3961  N-KFD-228  详情页1.png660.3961 N-KFD-228 详情页2.png